logo
客户案例
泰开隔离开关通过SIPM/PLM
泰开隔离开关通过SIPM/PLM
提升系列化、平台化设计和快速订单配置能力
 
项目背景
       山东泰开隔离开关有限公司是泰开集团的全资子公司,省级高新技术企业,位于泰山脚下 。公司是目前国内唯一专门生产高压隔离开关和接地开关的高压电器设备制造商,专业生产1100kV及以下各电压等级的各种结构形式、多种型号高压交、直流隔离开关、接地开关、敞开式组合电器、变压器中性点成套保护装置等高压开关电器设备。是目前国内外生产隔离开关品种和规格最多的厂家之一,产品满足国内外不同地区和客户的需求。
       公司管理体系符合ISO 9000系列质量体系标准要求并连年通过复审,公司生产、试验设备齐全,测试手段先进;产品均通过中国国家高压电器质量监督检测中心、机械工业高压电器产品质量检测中心、荷兰KEMA的型式试验;具有行业领先的新品开发能力和科学严密的批量生产质量监控能力,可向用户提供范围广阔、技术领先和经济耐用的世界一流的高质量产品,以及卓有成效的技术服务和售后服务。
        产品覆盖中国大陆全部省份和地区,同时出口亚洲、欧洲、南美洲、非洲的国家和地区。公司积极参与国家特高压工程建设,GW7F-1100型特高压交流1000kV隔离开关在“晋东南-南阳-荆门”特高压示范工程上安全运行5年多,ZGW8-816、ZGW23-515特高压直流隔离开关,ZJN系列,地开关等直流特高压系列产品。
先后在“哈密-郑州”、“溪洛渡-浙西”、“灵州-绍兴”等特高压直流工程中安全运行。
泰开隔离业务现状情况
       泰开隔离已意识到产品平台化设计的重要性,已将基本型产品分配给不同科室维护,根据订单情况,每年各科室需要对基本型产品进行优化改进。如2016年上证情况:

图1  2016年订单情况
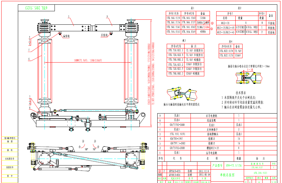
       一种型号的基础产品的图纸不是唯一的,根据不同情况,均有参数表表示,一张装配图表达了多个BOM结构关系。如下图为接地不同的单表表示:

图2  单表情况
       因防污等级、电压、接地情况,用多张参数表表达的装配关系:

 图3   多表情况
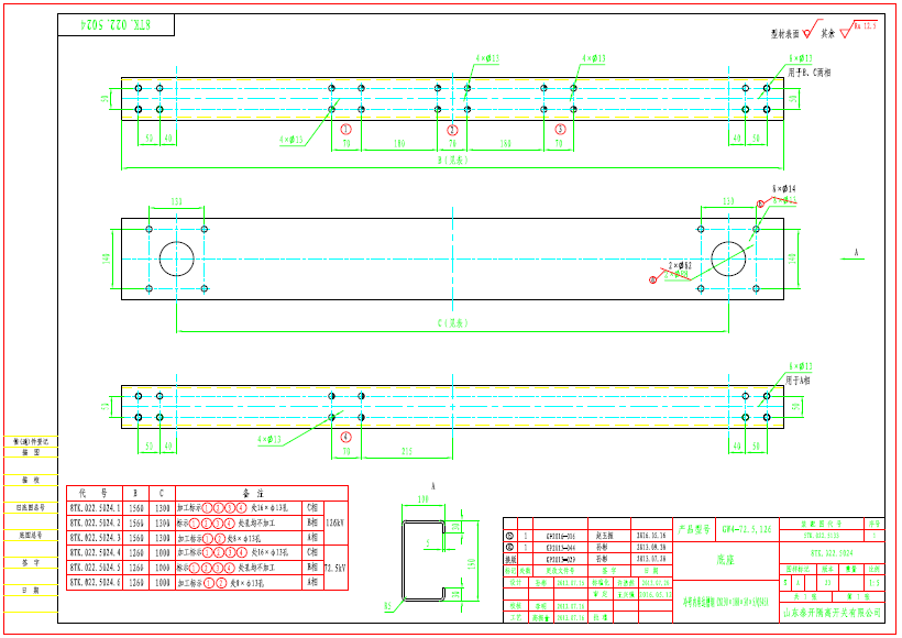
       一张图表达多个零件,如下

     图4  一图多个零件
       这种多层次的参数化设计方式大大节省了设计时间,避免了重复设计,然而ERP生产需要准确BOM,针对订单核算成本。如何通过这种参数化设计快速形成ERP的生产BOM,将参数化的设计衍化到平台化产品设计
       泰开隔离与上海思普公司于2017年初合作PLM项目建设,围绕产品平台化的设计理念,以系统工作的观点进行PLM系统实施。

图5  PLM实施理念
产品结构的参数化设计,提升设计的标准化及规范化
      利用思普领先进的MDA技术,将泰开隔离的参数化设计,以选配的形式展现给设计者,设计者通过简单的勾选操作,即能未完成订单BOM的创建。简化了设计操作,让设计人员从繁重的开发中解脱出来,在人力资源不增加的情况下,可以将更多的时间和资源投入新品开发过程;同时大大提升了产品设计的标准化程度,通过系统控制并避免重复设计的过程,降低了研发过程中的浪费现象。

图6 CAD中获取材料信息

图7 多表的配置形式

图8 快捷的选配操作
形成订单产品后,连同工艺数据一起以结构化数据传输给ERP、MES的需求,为后续采购、生产等业务部门提供准确、及时的数据应用;

图9  数据汇总统计

 
转载自思普软件官网https://www.sipm.com.cn
Copyright ©                                      备案号:湘ICP备2023024586号